Котел за отпадни масла с водна верига. Направи си чертежи и инструкции
Пещите с течно гориво са известни от началото на миналия век. Вярно е, че тогава те служеха главно за нуждите на индустрията. В ежедневието агрегати, работещи на дизелово гориво или мазут, са били широко използвани през 60–80 години. Точно по това време петролните продукти можеха да се купуват за стотинка или дори безплатно. Въпреки значителното увеличение на цените на енергията, сега е възможно да отоплявате къщата си евтино. Можем да кажем, че горивото за това е само под краката, или по-скоро на всяка сервизна станция. Изцеденото отработено масло гори не по-лошо от дизеловото гориво и собствениците на цеха го раздават практически за нищо. Между другото, не е необходимо да купувате котел за изгарянето му. Проста и надеждна единица с водна верига може да бъде изградена със собствените си ръце, като се използват материали, които се намират във всеки собственик.
съдържание
Устройството и принципът на работа на котел, използващ отработено масло
Смесените автомобилни масла са многокомпонентни, силно замърсени вещества, които също изгарят слабо. Може да се каже, че като добив на гориво само по себе си „не е много“, тъй като кислородът просто не е в състояние да окисли цялото химично разнообразие, което се намира в него. Ако разделите маслото на по-прости компоненти, тогава изгарянето им ще бъде много по-лесно.
Методът на разлагане е познат на съвременната наука отдавна. Разделянето на пламък или, в научен план, пиролизата, се използва за получаване на прости запалими вещества от всяко гориво - масло, въглища, дърва за огрев и др. Този процес е удобен, тъй като не се изискват допълнителни разходи за химически трансформации - за това достатъчно топлина, която се образува при изгарянето на горивото. Предимството на пиролизното изгаряне се състои в това, че този процес поддържа и регулира себе си, поради което практически не изисква външна намеса, Всичко, което е необходимо за стартирането на процеса на разлагане, е да се изпари горивото и да се нагрее парата до температура от 300–400 ° C. Можете да използвате два метода за това.
В първия случай горивото се подпалва в резервоара, след което започва активно да се изпарява. Ефективното смесване и получаване на равномерна смес от газ и въздух се осигурява от силата на Coriolis, поради което е важно точното изчисляване на диаметъра и височината на горивната камера. Парите от гориво се издигат по вертикална тръба с множество отвори, през които са наситени с атмосферен кислород. В горната част на горивната камера има преграда, която е необходима за намаляване на скоростта на газа и за отделяне на зоната на азотен оксид след изгаряне. Именно в него опасните химични съединения реагират с азотни оксиди и се разлагат в безвредни вещества.
Така нареченият метод за самозапалване, без съмнение, притежава атрактивна простота и надеждност, обаче, резервоар с горимо масло не позволява да се говори за безопасност. За да се отстрани този недостатък, ще е необходимо да се усложни дизайна на отоплителния блок.
Вторият метод включва образуването на зони на пиролиза, изгаряне и изгаряне директно в пламъка, а за това се нуждаете от горелка със специална конфигурация. За да се окисли напълно горивото, дюзата трябва да осигури многоетапно образуване на смес от газ и въздух. При такова устройство основното движение на горивния поток се осигурява от компресора. Благодарение на инжектирането инжектираният въздух носи атмосферен въздух заедно с него и образуването на пари става поради нагряването на горелката с пламък. Практически същите процеси могат да се наблюдават по време на работа на дроселна горелка. Подобен метод се прилага в промишлени течни горивни агрегати. Домашните дизайни използват същия принцип, но работят малко по-различно. В тях минното капе в резервоар, където той веднага се изпарява и изгаря при висока температура. В този случай не може да се говори за чиста пиролиза, тъй като има и енергия на разпадане на молекулите по време на микроексплозии.
Прочетете и нашата статия за производството на печка за печка на отработено масло:https://aquatech.tomathouse.com/otoplenie/bani-i-garazh/pechka-burzhujka-svoimi-rukami.html.
Видове структури в процес на разработка
В зависимост от приложението, котлите, използващи използвано масло като гориво, могат да бъдат разделени на три групи:
- домакински печки;
- водни отоплителни агрегати;
- отоплителни котли.
Домашните печки са инсталирани в помещения, които по редица причини не могат да бъдат оборудвани с водно отопление. Тези агрегати се характеризират с намален разход на гориво, а тяхната конструкция осигурява най-пълно изгаряне на маслото. Домакинските уреди са практически бездимни. В допълнение, пещите често са оборудвани със системи за почистване на емисии, което повишава безопасността на тяхната работа. Основното предимство на единици от този тип е тяхната мобилност. Малкият размер улеснява транспортирането на печката и монтирането й в малка стая. Важно е също така, ако е необходимо, устройството лесно да бъде оборудвано с водна верига или платформа за готвене.
Водогрейните агрегати на нивото на модула за изгаряне на газ имат специална платформа, на която се поддържа резервоарът за вода. Тороидалната му форма осигурява допълнително предимство, тъй като отоплението се извършва както отдолу, така и от страната на димния канал, който преминава вътре в резервоара. За автономно водоснабдяване на входа на котела е монтирана малка водна помпа. Поради високата температура водата може да се нагрява много по-бързо, отколкото в заводските бойлери. Например 100-литров резервоар набира температура от 20 ° C до 65 ° C за около два часа, докато електрическият или газовият уред отнема два пъти повече време. Ако говорим за цената на стандартен литър гореща вода, тогава при използване на добив разходите се намаляват с 20-25 пъти.
Отоплителните котли се използват за свързване към системи за отопление на вода, така че те са оборудвани с изгарящи газове, филтри и предпазни устройства. Въпреки всички мерки за безопасност, се препоръчва да се инсталира отоплително оборудване за отпадни масла в отделни помещения или стопански постройки.
Отоплението на вода в отоплителните агрегати се осигурява от топлообменник, монтиран в зоната на горене на гориво. Тя може да бъде направена като непрекъсната водна риза или под формата на спирален тръбен контур. Движението на топлинния агент в системата е възможно благодарение на циркулационната помпа, задвижвана от електричество. Контролът на температурата на охлаждащата течност се осъществява чрез намаляване на температурата на пламъка. За това котелът е оборудван със система за принудително подаване на въздух. Намалявайки или увеличавайки скоростта на турбината, регулирайте притока на въздух в горивната зона. Инсталирането на термостат ви позволява да автоматизирате този процес.
Често единиците, работещи на изцедено масло, се дублират от устройства, които използват електричество, газ или твърдо гориво. Това осигурява функционалността на инженерните системи в случай на прекъсвания в доставката на добив.
Обърнете внимание на материала, който обсъжда възможностите за гаражни нагреватели:https://aquatech.tomathouse.com/otoplenie/bani-i-garazh/kakoj-obogrevatel-luchshe-dlya-garazha.html.
Производство на котел за отработено гориво
Според схемите, описани по-горе, се разработват и успешно работят няколко типа котли. В допълнение всеки агрегат за отопление на твърдо гориво или газ може да бъде адаптиран да работи на течно гориво. Нека да поговорим за двата най-често срещани дизайна, които могат да бъдат направени независимо.
Чертежи на отоплителни единици
Чертежите, които предоставяме на вашето внимание, са тествани върху наистина работещи пещи, така че със сигурност могат да се използват за вашите собствени проекти.
Два тома
Този дизайн се състои от две цилиндрични камери, свързани помежду си с парче дебела стена от желязна тръба с отвори за проникване на въздух.
Долното отделение е в същото време резервоар за гориво, изпарител и първична зона на горене. За да напълните горивото, да запалите и регулирате потока на въздуха, в горната му равнина се изрязва дупка, която може да бъде напълно или частично запушена с помощта на въртящ се люк. Отдолу печка оборудвани с крака, които осигуряват стабилността на конструкцията и създават пролука между дъното и пода.
В горната равнина на отделението на пещта е заварена тръба с отвори. Този кухи цилиндър е последващо горене. В него се извършва разграждане на пиролиза и изгаряне на изпаряващото се гориво (вторично изгаряне). Почти същият капацитет е монтиран върху горния разрез на перфорираната тръба, както отдолу. Преградата, която разделя вътрешното пространство на две зони, намалява скоростта на продуктите от горенето и осигурява пълнотата на окисляването им с азотни съединения. Освен това горната камера е и топлообменник, който работи като инфрачервен и конвекционен нагревател.
Комин, монтиран върху горния модул, създава необходимата тяга и отстранява остатъчните продукти от горенето отвън. За да се осигури процеса на презареждане на рудника в долния резервоар, към него е свързана тръба, свързана към отделен резервоар. Маслото, излято в печката, се подпалва с парцал, напоен с бензин или керосин. След това въздушният поток в първичната зона на горене се контролира от клапата.
Чрез инсталиране на водна риза или верига върху вертикална тръба се получава котел, който може успешно да се използва в отоплителни системи или системи за топла вода. В същото време е важно да оставите празнина от най-малко 50–70 mm на перфорирания цилиндър, за да се осигури свободен поток на въздух във вторичната зона на горене.
С огнена купа
Прост чертеж на котела с огнена купа е показан по-долу. Размерите му осигуряват топлинна мощност около 15 кВт. В този случай не са необходими повече от 1,5 литра използвано автомобилно масло на час. Въздухът влиза в зоната на горене с помощта на малък вентилатор или турбина. Доставката на отработено гориво се извършва на порции, за които резервоарът с масло е оборудван с клапан, който може да регулира количеството гориво или напълно да спре подаването му.
За изгарянето на изпаренията от мините централната тръба е оборудвана със система от отвори и прорези. Благодарение на този дизайн, около пламъкната купа се наблюдават същите процеси, както в двутомна пещ. Горимите газове се отстраняват през комин, монтиран в горната част на горивната камера. При подреждането му трябва да се избягват остри завои и ъгли, а височината на комина трябва да бъде най-малко 4 m. Това ще осигури сцепление, достатъчно за отстраняване на продуктите от горенето и гарантиране на безопасна работа на отоплителния агрегат.
Пещта с огнена купа е затворено устройство с принудително подаване на въздух. Това допринася за безопасността на работа, а също така дава възможност лесно и просто да се оборудва водна риза. Диаграмата показва работен проект на котела, описан по-горе, в корпуса на който може да се използва домакински газов цилиндър.
Необходими материали
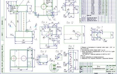
За да направите котел за водно отопление с огнена купа, ще ви е необходим не само резервоар за производство на тялото, но и други материали (позициите в диаграмата по-горе и в списъка съответстват една на друга).
- 50 литров резервоар за пропан.
- Метална тръба Ø100 мм с дебелина 2-3 мм за изработка на комин.
- Желязна тръба Ø100 мм с дебелина 5-6 мм, която ще е необходима за направата на горелка.
- Стоманен лист с дебелина най-малко 5 мм за разделяне на горивната камера и зоната на изпаряване.
- Метален лист с дебелина 3-4 мм за изработка на козирка, предназначена да намали скоростта на газ.
- Спирачен диск с диаметър най-малко 20 см от всяка кола.
- Съединителят (същата тръба от 100 мм, само отрязана по цялата му дължина) е с дължина 100 мм.
- Ø15 мм стоманена тръба за подаване на масло в купата.
- ½ инча сферичен клапан.
- Маркуч за гориво, изработен от устойчив на масло огнеупорен материал.
- Резервоар за изработка на всякакъв тип.
- Ъглов или стоманен профил за производство на крака.
- Покритие от стомана с дебелина 4–5 мм.
- Стоманен лист с дебелина най-малко 3 мм за изработка на водна риза.
- Тръбни фитинги с резба Ø2˝ за свързване на котела към отоплителната система.
Не забравяйте, че за да се предпазите от корозия и да подобрите външния вид на котела, ще е необходимо да боядисате, затова купете конвертор на ръжда, грунд, разтворител и емайл за работа върху метал. Освен това за запечатване на фугите ще са необходими уплътнителни материали - санитарен лен и специална паста.
Инструменти за работа
В процеса на работа върху котела ще ви трябват различни електрически и ръчни инструменти за пейка. Ето списък на това, което трябва да получите от кошчета, покупка или заем от приятели:
- заваръчна машина - най-добре е да използвате DC трансформатор или инвертор, тъй като към качеството на заварките се поставят високи изисквания;
- електрически бормашина и свредла за метални работи;
- ъглошлайф и два диска - рязане и почистване. Разбира се, тези консумативи трябва да бъдат проектирани за рязане на стомана;
- щанци за резбови тръби;
- електрически наждак;
- газов ключ;
- рулетка;
- метален владетел;
- високочестотна стоманена писалка за маркиране на части преди рязането им.
Тъй като трябва да пробиете голям брой дупки, е необходимо да подготвите контейнер с вода, за да охладите инструмента. Освен това е необходимо да се гарантира безопасността на заваряването, така че ще бъде полезно да се запасите на пожарогасител.
Може да се заинтересувате и от материал, който описва производствения процес на пещ за изработка на газов цилиндър: https://aquatech.tomathouse.com/otoplenie/documents/pech-na-otrabotke-svoimi-rukami.html
Направете ръководство за инструкции за бойлер
- Тъй като дори в празен газов цилиндър може да остане експлозивна смес от пропан и въздушни пари, можете да го нарежете с шлифовъчна машина или пробийте само след пълно изпразване. За да направите това, развийте и извадете клапана с газов ключ. След това контейнерът се обръща с главата надолу и кондензатът се източва. Обърнете внимание, че тази течност гори много добре и има изключително остра миризма, така че работете много внимателно. След като течността изтича, детайлът се връща в първоначалното си положение и се напълва с вода през горния отвор - напълно ще измести останалия газ. След това течността може да се източи и всяка работа да се извърши без страх от пожар или експлозия.
- С помощта на ъглошлайф в цилиндъра се изрязват отвори с широчина една трета от диаметър. Ако измервате около обиколката, тогава тяхната дължина е 315 мм. Височината на долния прозорец е 200 мм, а горната - 400 мм. Между отворите трябва да се остави джъмпер с ширина 50 мм. Работата трябва да се извършва внимателно, като се избягва изместването на диска, тъй като отрязаните метални сектори ще отидат за производството на люкове.
Забележка! Увеличеният размер на горния прозорец е необходим, за да се прехвърли котела към твърдо гориво, ако е необходимо. Ако няма такава нужда, тогава долният отвор ще бъде достатъчен. Между другото, в този случай инсталирането на корпуса на водната риза се улеснява.
- Към люка, който е получен при формирането на отвора на топлообменника, са заварени панти и клапан, след което частта се връща на мястото си.
- От 4 мм стоманен лист се изрязва пръстен според вътрешния диаметър на цилиндъра, който е 295 мм. Дупката, която трябва да бъде направена в нея, трябва да съответства на външния диаметър на тръбата за направата на горелката (в нашия случай 100 мм). Този елемент ще служи като преграда между зоната на горене и топлообменника.
- Заготовка с дължина 200 мм се изрязва от стоманена тръба с дебели стени Ø 100 мм.
- Пробийте Ø12 мм до височина 95 мм в долната част на детайла. Разстоянието между отворите не трябва да надвишава 40 мм - това ще позволи по-равномерно разпределение на газовия поток на изхода на горелката.
Ако ръбовете на дупките се обработват внимателно с файл, това ще направи възможно без да ги почиствате дълго време. Тази функция е свързана с намаляване на грапавостта - частици сажди и мръсотия просто няма да уловят нищо.
- На горелката е инсталиран предварително изрязан пръстен и той е заварен директно над отворите.
- Преградата е инсталирана между отворите, на нивото на горния разрез на горивната камера. Така в долната част на топлообменника ще се образува стъпка, която е необходима за задържане на пепелта в случай на котела, работещ на дърва.
- Всеки контейнер с дебели стени, за предпочитане от термоустойчиви сплави, може да се използва за направата на изпарителната чаша.Най-доброто за тази цел са чугунените спирачни дискове от автомобилите. Технологичните отвори в детайла трябва да бъдат заварени. За да направите това, две кръгли части се изрязват от стоманен лист, едната от които ще бъде дъното, а втората - с капачка. В капака на куплунга се прорязва дупка и прозорец за подаване на минно дело.
- 150 мм парче стоманена тръба се разрязва по дължина с „шлайф“, след което стените леко се разпъват, увеличавайки пролуката до 4–5 мм. Това ще ви позволи да извадите купата, за да почистите останките от изгоряло гориво.
- Дъното, капакът и съединителят са заварени към автомобилния диск, след което монтажът е монтиран върху горелката.
- Ивица с размери 400х640 мм е изрязана от стоманен лист, два половини пръстена с външен диаметър 305 мм и вътрешен диаметър 299 мм и две ленти с ширина 30 мм. С тяхна помощ около цилиндъра се оформя корпус от водна риза, който скалва всичко с непрекъснат шев.
- В горната и долната част на корпуса се изрязват кръгли отвори с диаметър най-малко 40 мм и с помощта на заваряване се монтират тръбите за подаване и изпускане на охлаждащата течност.
- Прави се капак на котела, в който е поставен комин. Инсталирайте капака на котела.
- В страничната стена на контейнера се прави отвор, в който се въвежда горивна тръба под ъгъл. Долният му ръб е изрязан под ъгъл, след което полученият чучур е монтиран над прозореца за подаване на масло. След регулиране на дължината на излитане, горивната линия трябва да бъде заварена към котела.
- След като режете резба на тръба за отработване, се монтира сферичен клапан и се прикрепя резервоар за гориво.
Възможно е да се извърши здравна проверка на котела, без да се чака вложката в отоплителната система. За целта изсипете изработката в резервоара за гориво и отворете сферичния клапан, докато маслото се разпредели на тънък слой по долната част на диска. Малко количество керосин се налива отгоре и се подпалва. Подаването на гориво се регулира, като се ръководи от скоростта на изтичането му и нивото в купата на пещта.
Видео: Изработване на отоплителен котел от газов цилиндър
Пристягане. Дублиране на пещта при разработването на електрическа единица
Преди да свържете котела, трябва да вземете предвид не само метода на монтаж и точките за поставяне на допълнителни устройства и клапани, но и начина, по който се извежда комина. Ако преминава през таван, изграден с помощта на запалими материали, тогава в него е инсталиран метален калъф с молив с два пъти по-голям диаметър. Свободното пространство между тръбите е запълнено с азбест или друг негорим материал с добри топлоизолационни свойства.
Предвид високия риск от отопление с течно гориво, инсталирането на котела е най-добре да се извърши в отделно помещение с добра вентилация. Подиумът за блока е бетониран или покрит с метален лист, който ще стърчи извън контурите му с поне 1 метър. След монтажа котелът се изравнява и водопровод и едва след това се пристъпва към свързване.
Най-простият начин за свързване на котела е интегрирането в гравитационната отоплителна система. Въпреки своята простота, надеждността му е много висока, тъй като в този случай няма нужда от циркулационна помпа и устройства за автоматизация. Въпреки това използването на допълнително оборудване ви позволява да ускорите доставката на охлаждаща течност до потребителите и да изравните температурата във всички точки на системата, което спестява гориво и повишава комфорта. За тази цел на връщащата линия непосредствено преди входа на котела са инсталирани центробежна помпа и мембранен разширителен резервоар. Необходимо е, така че системата да не понижава налягането с повишаване на температурата и налягането.Към горния разклонителен тръбопровод се свързва тръба за налягане и пред всеки радиатор се монтира термостатична глава или друго регулиращо устройство (трипътен клапан, клапан за намаляване на напречното сечение на захранващата тръба и др.), За да се регулира температурата на потребителите. За да премахнете задръстванията на въздух, в горната част на системата е монтиран въздушен отвор.
Завързването на агрегата, работещ при добив, изисква отчитане на инерцията на този тип оборудване. С други думи, промяната в температурата на охлаждащата течност става постепенно, следователно единицата задължително оборудван с предпазен клапан, Това ще позволи да се облекчи налягането, когато се повиши до критично ниво. Добър начин за защита и изравняване на температурата е серийното свързване на индиректен нагревател за отопление на водата. Той ще служи като буфер, който ще поеме излишната топлина в случай на прекомерно повишаване на температурата.
Когато свързвате котела, спирателните клапани се монтират на тръбите за връщане и подаване. Това ще даде възможност за отстраняване на уреда за ремонт, без да се налага да изваждате охлаждащата течност от системата.
Когато искат да се застраховат от недостиг на използвано масло, електрически бойлер е инсталиран до домашния котел. Можете да свържете допълнително устройство по два начина - последователно или паралелно. Предимството на първия метод е, че охлаждащата течност, нагрята с помощта на купа с пламък, ще потече в електрически котел, който може да се регулира до определена работна температура. Когато пламъкът на горелката намалее, той ще се включи и ще повиши температурата на водата до желаната стойност. Недостатъкът на този метод е увеличаването на дължината на линията, както и пълната неработоспособност на системата в случай на демонтаж на един от котлите за ремонт.
Паралелното превключване предполага независимата работа на два отоплителни блока и се характеризира с липсата на тези недостатъци. За съжаление този метод не е без недостатъци, един от които е необходимостта от инсталиране на хидравлична стрелка и прецизно координиране на работния режим и захранване на връщащата линия. В допълнение, фитинги, тръби и фитинги с паралелна връзка ще отидат много повече, което със сигурност ще доведе до увеличаване на разходите и сложността на инсталирането.
Въпреки всички недостатъци, във всеки случай включването на котли в каскада помага да се увеличи надеждността на системата. Ако вземем предвид, че един от блоковете периодично или редовно ще работи на използвано автомобилно масло, тогава това също ще спести много пари.
Видео: Автоматизирана работа на уреда с водна верига
Днес изгарянето на използваното автомобилно масло е най-евтиният и най-достъпен метод за изхвърляне. За съжаление, този метод не е най-безопасният за околната среда, особено при непълно изгаряне на гориво. Факт е, че добавките и добавките, които производителите използват за увеличаване на ресурса на силови агрегати, са вредни канцерогени. Котелът, който предлагаме за производство, е проектиран, като взема предвид изгарянето на рудника при максимална температура. Това допринася за пълното разпадане на химичните съставки в безопасни вещества. Ето защо, като започнете, бъдете внимателни в изчисленията и се вслушвайте в съветите и препоръките на специалисти.



























2 коментара